該產品是供具有可燃性氣體、瓦斯、粉塵等形成的爆炸性混合物環境條件下所使用的輸送機械做驅動裝置。隔爆標志為dI、dIIAT4、dⅡBT4。dI適合于有甲烷或煤塵爆炸危險性混合物存在的礦井中,dⅡAT4適合于Ⅰ、ⅡA級T1-T4組爆炸危險性混合物存在的場所,dIIBT4適合于Ⅰ,IIA、ⅡB級T1-T4組爆炸危險性混合物存在的場所。可滿足各種逆止、包膠等要求。
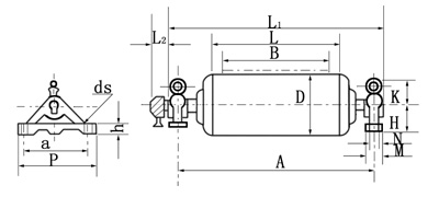
YDB型隔爆油冷式電動滾筒外型尺寸
D | B | A | L | L1 | L2 | H | M | N | P | Q | dS | h | L3 |
315 (320) | 500 | 850 | 600 | ≤732 | 940 | 120 | 90 | 340 | 280 | 27 | 35 | 95 | |
650 | 1000 | 750 | ≤882 | 1090 | |||||||||
800 | 1300 | 950 | ≤1032 | 1390 | |||||||||
400 | 500 | 850 | 600 | ≤744 | 940 | 120 | 90 | 340 | 280 | 27 | 35 | 95 | |
650 | 1000 | 750 | ≤894 | 1090 | |||||||||
800 | 1300 | 950 | ≤1044 | 1390 | |||||||||
500 | 500 | 850 | 600/620 | ≤748 | 960 | 100 | 70 | 340 | 280 | 27 | 35 | 115 | |
650 | 1000 | 750 | ≤900 | 1120 | 120 | 90 | |||||||
800 | 1300 | 950 | ≤1100 | 1420 | 120 | 90 | |||||||
630 | 650 | 1000 | 750 | ≤868 | 1120 | 120 | 90 | 340 | 280 | 27 | 35 | ≤140 | |
800 | 1300 | 950 | ≤1068 | 1430 | 140 | 130 | 80 | 400 | 330 | 27 | 35 | ||
1000 | 1500 | 1150 | ≤1268 | 1630 | 140 | 130 | 80 | 400 | 330 | 27 | 35 | ||
1200 | 1750 | 1400 | ≤1514 | 1900 | 160 | 160 | 90 | 440 | 360 | 34 | 50 | ||
1400 | 2000 | 1600 | ≤1720 | 2150 | 160 | 160 | 90 | 440 | 360 | 34 | 50 | ||
800 | 1000 | 1500 | 1150 | ≤1268 | 1630 | 140 | 145 | 80 | 400 | 330 | 27 | 35 | ≤140 |
1200 | 1750 | 1400 | ≤1514 | 1900 | 160 | 160 | 90 | 440 | 360 | 34 | 50 | ||
1400 | 2000 | 1600 | ≤1720 | 2150 | 160 | 160 | 90 | 440 | 360 | 34 | 50 | ||
1000 | 1000 | 1500 | 1150 | ≤1268 | 1630 | 140 | 145 | 80 | 400 | 330 | 27 | 35 | ≤140 |
1200 | 1750 | 1400 | ≤1514 | 1900 | 160 | 160 | 90 | 440 | 360 | 34 | 50 | ||
1400 | 2000 | 1600 | ≤1720 | 2150 | 160 | 160 | 90 | 440 | 360 | 34 | 50 |
YDB型隔爆油冷式電動滾筒技術參數
直徑(mm) | 功率(kW) | 帶寬(mm) | 膠帶速度(m/s) | 質量(Kg) | |||||||
0.8 | 1.0 | 1.25 | 1.6 | 2.0 | 2.5 | 3.15 | 4.0 | ||||
320 | 1.5 | 500 | · | · | · | · | 185 | ||||
650 | · | · | · | · | 195 | ||||||
2.2 | 500 | · | · | · | 187 | ||||||
650 | · | · | · | 197 | |||||||
3 | 500 | · | · | 220 | |||||||
650 | · | · | 227 | ||||||||
4 | 500 | · | 227 | ||||||||
650 | · | 239 | |||||||||
400 | 2.2 | 500 | · | · | · | · | 219 | ||||
650 | · | · | · | · | 230 | ||||||
3 | 500 | · | · | · | · | 251 | |||||
650 | · | · | · | · | 265 | ||||||
4 | 500 | · | · | · | 256 | ||||||
650 | · | · | · | 270 | |||||||
500 | 1.5 | 500 | · | · | 272 | ||||||
650 | · | · | 283 | ||||||||
2.2 | 500 | · | · | · | · | 274 | |||||
650 | · | · | · | · | 285 | ||||||
800 | · | · | · | 315 | |||||||
3 | 500 | · | · | · | · | · | 302 | ||||
650 | · | · | · | · | · | 316 | |||||
800 | · | · | · | · | · | 346 | |||||
4 | 500 | · | · | · | · | · | · | 308 | |||
650 | · | · | · | · | · | · | 322 | ||||
800 | · | · | · | · | · | · | 352 | ||||
5.5 | 500 | · | · | · | · | · | 368 | ||||
650 | · | · | · | · | · | 404 | |||||
800 | · | · | · | · | · | 435 | |||||
7.5 | 650 | · | · | · | · | 419 | |||||
800 | · | · | · | · | · | 448 | |||||
11 | 650 | · | · | · | 481 | ||||||
800 | · | · | · | · | 518 | ||||||
15 | 800 | · | · | · | · | 542 | |||||
630 | 3 | 1000 | · | 529 | |||||||
4 | 1000 | · | · | · | 536 | ||||||
1200 | · | 590 | |||||||||
5.5 | 800 | · | · | · | · | 577 | |||||
1000 | · | · | · | · | 608 | ||||||
1200 | · | · | · | · | · | 678 | |||||
7.5 | 800 | · | · | · | · | 592 | |||||
1000 | · | · | · | · | · | 703 | |||||
1200 | · | · | · | · | · | 692 | |||||
11 | 650 | · | · | 613 | |||||||
800 | · | · | · | 679 | |||||||
1000 | · | · | · | · | · | · | 711 | ||||
1200 | · | · | · | · | · | 781 | |||||
15 | 800 | · | · | 697 | |||||||
1000 | · | · | · | · | 729 | ||||||
1200 | · | · | · | · | · | 799 | |||||
上一產品:外置式電動滾筒
下一產品:沒有了